JTOOLS QTSEQUENCER APPLICATION - FINDING THE KNIFE


JTools QT Sequencer




As mentioned previously, the Quote-Trade sequencer was developed to help us in our initial investigation of the Flash Crash of May 6'th, 2010.

The first algo chart to be pulled from the data with the QTSequencer was one we called "The Knife". The algo originated on the BATS exchange (like so many others on 05/06/2010) and the original chart was printed in several publications. Below is a step by step tutorial on using the QTSequencer by finding "The Knife" . If you are a Nanex customer and have the May 6'th 2010 historical file, you will be able to replicate the results yourself with the QTSequencer.


The first thing was to bring up the symbol and chart it for the time frame in question. I initially scale the chart for all exchanges and as you can see below, the BATS bid drops so low as to almost flatten the remaining chart. However the Knife is visible to some degree in the upper section of the chart:



Because of the BATS bid being so low, I then enter the scale I would like to see charted, and it becomes much clearer:



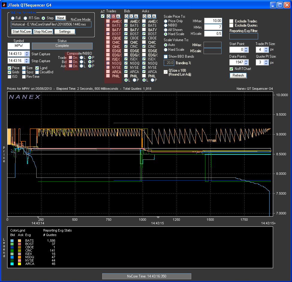
Removing all trades so that only exchange quotes are shown:



And removing all quotes except BATS. Here the Knife is clear to see:



Finally, the sequence was run again with all trades (from all exchanges) and all quotes except for BATS completely filtered out of the sequence. The Knife sharpens up a bit:



Plotting the Knife with points (as opposed to connecting line segments):



Zooming into detail we see that each leg of the Knife is comprised of many quotes repeating a finer sequence:



JTools QT Sequencer